VERON afdeling Friese Wouden
Afdelingsblad 'CQ Friese Wouden'
door PDoGGB
Onder het motto 'eenvoudige schakelingen' hier de opzet voor
een eenvoudige timer. Een schakelingetje, dat voor velerlei doeleinden is te
gebruiken, daar waar een vertraagde in- of uitschakeltijd noodzakelijk is.
Voorbeelden; loopverlichting, naloop van de waterpomp van de centrale verwarming,
inbraak alarm en nog vele andere.

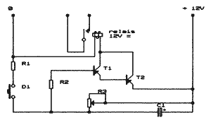
Het schema van de tirmer module
De schakeltijd kan met C1 gewijzigd worden en met P1 ingesteld.
Door de eenvoud van de schakeling is verdere toelichting overbodig.
Onderdelenlijst