VERON afdeling Friese Wouden
Afdelingsblad 'CQ Friese Wouden'
door PA3BWZ
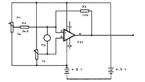
Nu eerst nog even een experiment. De schakeling uit fig. 1
dient hierbij als voorbeeld. Het meetinstrument zal niet uitslaan zolang de
opamp niet vastloopt, ondanks het feit dat de beide potmeters willekeurig
verdraaid kunnen worden.

Fig. 1
De inverterende spanning zal door de opamp op ongeveer 0 V
worden gehouden. De verhouding tussen uit en ingangs spanning is dan gelijk aan
de verhouding van de R3 en R4. Hieruit volgt dus de versterking van de opamp:
R3
V = - ----
R4
Het minteken geeft aan dat de uit en ingangsspanning in tegen
fase zijn. Op de niet inverterende ingang staat 0 \V (zo was de schakeling
ingesteld). Alleen in dit geval zal de ingangsspanning van de inverterende
ingang ook 0 V zijn. Veranderen we nu de spanningen naar bijvoorbeeld P1 op 0V
en P2 op 0.5 V, dan zal e uitgangs spanning op ongeveer 2 V komen te staan. Was
P2 op 1 V ingesteld dan werd dat circa 4 V.
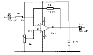
Omdat een opamp positieve en negatieve spanning verwerkt,
heeft tot gevolg, dat hij bijzonder geschikt is voor het verwerken van
wisselspanning. Het prettige daarbij is, dat de regels en de formules voor
gelijkspanning onverkort gelden voor wisselspanning. Zoals bij een eenvoudige
transistor schakeling, zijn bij de opamp koppelcondensatoren niet noodzakelijk.
Uitzondering weliswaar als er gelijkspannings komponenten zijn, die niet
meeversterkt mogen worden. Gezien de steeds wisselende polariteit, maakt het in
de meeste gevallen niets uit, of de opamp wel of niet inverteert. Bij de
polariteits omdraaing van de schakeling spreekt men hier over een
faseverschuiving van 180 graden. Evenzo als het geval is bij een
gemeenschappelijke emittor schakeling. De schakeling in Fig. 2 geeft een
voorbeeld. De voedingsspanning moet, omdat er maar 1 voeding is aangebracht,
hoger zijn, om niet onder de voor het IC benodigde spanning te komen.

Fig. 2
De versterking zal ongeveer 100 maal zijn, maar dan voor
wisselspanning:
R2
U(uit) = U(in) * ----
R1
De condensatoren verhinderen, dat de gelijkspanning op de
voorgaande respectivelijk achtergeschakelde trap inwerkt. De potmeter zo
instellen, dat op de uitgang ongeveer de halve voedingsspanning staat. De
uitgangs spanning van deze wisselspannings versterker worden bepaald door de
voedings spanning, terwijl de maximale uitgangsstroom ongeveer 0.25 mA zal
bedragen. Dit wordt grotendeels door de inwengige structuur van de opamp bepaald.
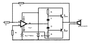
In Fig. 3 wordt de opamp aangevuld met een balanseindtrap. De uitgangsstroom
bedraagt nu ongeveer 0.1 A. Met vermogens transistoren kan dit nog opgevoerd
worden.

Fig.3
De tegenkoppeling heeft betrekking op de totale schakeling,
dus inclusief de transistoren. Afwijkingen die in de balanstrap ontstaan worden
hierdoor gecompenseerd. Aangezien de eindtrap geen spanningsversterking heeft,
is de versterking van de gehele schakeling, voor wisselspanning:
R2
V = - ------
R1
Tot zover. Wordt vervolgd!
73, Jan - PA3BWZ