VERON afdeling Friese Wouden
Afdelingsblad 'CQ Friese Wouden'
door PA3BWZ
Vorig seizoen is door Albert Polderman, PAoPKW, een lezing
gegeven over de invloed van straling op het menselijk lichaam. Een onderwerp
waar hij zich als arts nogal in verdiept heeft. De lezing stond dan ook op een
zeer hoog niveau en was voor ons radioamateurs, die dan ook regelmatig met
straling omgaan c.q. geconfronteerd worden erg interessant.
Albert heeft tijdens de lezing ook een door hem gemaakte
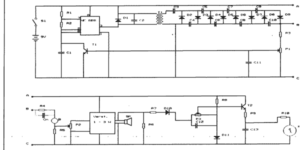
stralingsmeter gedemonstreerd. Bijgaand kunt U het schema van die meter
aantreffen.

Onderdelenlijst
Voor T1 wordt een miniatuur transformatortje genomen, 220/6 V,
1,5-2 VA. Deze trafo wordt omgekeerd toegepast. Na transformatie ontstaat er een
spanning van ca 100 V effectief met een frequentie van 2,5 kHz, die in cascade
wordt opgewerkt en gelijkgericht.
Vanuit de spanningsdeler P1-R3 wordt een deel van de opgewekte
hoogspanning gebruikt om T1 in geleiding te brengen, waardoor voorkomen wordt,
dat de NE 555 gaat oscilleren. T1 wordt gesperd als de hoogspanning onder een
bepaalde waarde komt, instelbaar door middel van P1. C1 wordt geladen, waardoor
het IC in werking treedt totdat de spanning weer hoog genoeg is.
De telbuis B wordt gevoed via R4. Cn is een keramische
condensator van 1pF 1000V. Deze C kan eventueel worden weggelaten. De pulsen,
die over R5 ontstaan, worden via het versterkertje hoorbaar gemaakt. Voor R3 en
R4 dienen hoogspannings weerstanden (tenminste 1kV) te worden gebruikt. Om de
meter te beproeven kan gebruik worden gemaakt van een gewoon gaskousje, dat bij
elke winkel van campingartikelen verkrijgbaar is.
<B>Een waarschuwende vinger: Er ontstaat in de
meter een niet ongevaarlijke hoogspanning. Indien er in de schakeling gewerkt
moet worden, sluit dan eerst de plus van C10 met ca 5 kOhm kort naar massa. De
nabouwers wordt weer veel plezier gewenst. Een en ander volgens de gegevens van
Albert
Jan - PA3BWZ