|
VERON A63
Friese Wouden
____________





| |
VERON afdeling Friese Wouden
Afdelingsblad 'CQ Friese Wouden'
Voedingslijnen en aanpassing
door PAoLH
In voorgaande artikelen heb ik het gehad over voedingslijnen
en hoe belangrijk of onbelangrijk een optimale aanpassing is van de
voedingsleiding aan de antenne. Bij buizen eindtrappen, die meestal met een
pi-filter (laagdoorlaat-filter) zijn uitgerust, is met behulp van (rol)spoel en
in- en uitgangs condensator wel een optimale afregeling tussen eindbuis en
voedingslijn te bewerkstelligen. Het instellen van een pi-filter bij verminderd
vermogen resulteert echter in een foutieve afstemming van het pi- filter, omdat
bij teruggenomen vermogen de uitgangs impedantie van de eindbuis verandert. Het
is daarom raadzaam eindtrappen met buizen snel af te stemmen op het werkvermogen.
(Noteer de instelling!!)
Transistor eindtrappen zijn breedbandig ontworpen met
pi-filter eindtrap. Vijfpolige laagdoorlaat filters (drie condensatoren en twee
spoelen) worden veel toegepast en de harmonischen onderdrukking is ca 60 dB. Bij
buizen eindtrappen met een enkelvoudig pi-filter is dat ca 40 dB. Reden waarom
men meestal nog een extra laagdoorlaat filter achter de zender plaatst met een
afsnijfrequentie van 30 MHz.
De prijs, die men voor een hoge harmonischen onderdrukking
moet betalen, is de noodzakelijkheid van een optimale aanpassing, meestal 50
Ohm. Het hangt van de kwaliteit van de eindtransistoren van de zender af, hoe
groot de misaanpassing mag zijn en hoe deze misaanpassing tot stand komt. Een
SWR van 3 is bij moderne eindtrappen nog wel acceptabel, hoewel er wel extra
verliezen in de eindtrap optreden, die 1 tot 2 dB kunnen bedragen. Een goede
koeling is dan ook een eerste vereiste. Een SWR van 3 betekent, dat naast
allerlei reactieve combinaties, de belastingsweerstand een reele waarde van 150
of 17 Ohm kan hebben. 50/17 = 3 en 150/50 = 3. De transistor eindtrap reageert
echter niet op de zelfde manier bij een belasting van 150 of 17 Ohm. De
collector stroom, intermodulatie en harmonischen inhoud zijn verschillend. Het
voert te ver hier verder op in te gaan. Ik heb getracht duidelijk te maken, dat
het belangrijk is, de eindtrap de juiste belasting te laten zien en dat alles
wat er achter hangt, dus de voedingsleiding, de antenne en de afstemunit een
apart geheel is. Ik vermijd het woord antennetuner. Je stemt de antenne niet af.
Je transformeert alleen de impedantie, die op het begin van de voedingslijn
optreedt, naar de waarde, die bepaald wordt door de zendereindtrap.
Nu zijn we allen amateurs. Meestal oefenen we een beroep uit,
dat niets met de techniek te maken heeft. Om hier dan een moeilijk artikeltje te
schrijven, volgepropt met formules, lijkt mij niet zinvol, omdat er slechts een
paar mensen mee bereikt wordt. Daarom gaan we nu op de praktische tour.
Het vervolg van dit artikeltje is reeds eerder in
CQ Friese Wouden verschenen. We zullen het hebben over een ruismeetbrug. Niet
een brug om ruis mee te meten, maar door middel van breedband ruis en een brug
van Wheatstone voor HF bepalen, wat de onbekende impedantie is op het
aansluitpunt van de brug. In een eerder artikel is al uitvoerig ingegaan hoe
zo'n brug werkt. Een stuk voedingskabel van een aantal malen een halve
golflengte werkt als impedantie transformator van 1:1. Voor 10, 15 en 20 meter
is een lengte kabel van 14,59 meter zo'n impedantie transformator van 1:1.
Knopen we nu op het begin de meetbrug en op het eind de belasting (lees: antenne),
dan kunnen we gaan meten.

We beginnen nu met het bouwen van de meetbrug. Lezers, die dit
artikeltje eerder lazen en het brugje al eens hebben gebouwd, kunnen dit stuk
overslaan. (LAAT ECHTER EENS IETS VAN UW ERVARINGEN HOREN?!?)

Het schema is een kopie uit CQ-DL van oktober 1981. Aan de
hand van het originele stukje van DJ5IL, zal ik proberen een en ander te
verduidelijken.
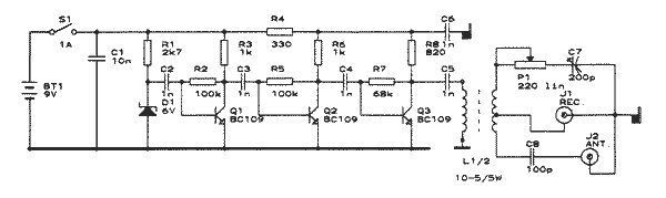
Componentenlijst
|
Item
|
Aantal
|
Onderdeel
|
Waarde
|
|
1
|
1
|
Batterij
|
9V
|
|
2
|
1
|
C1
|
10n
|
|
3
|
5
|
C2,C3,C4,C5,C6
|
1n
|
|
4
|
1
|
C7
|
200p
|
|
5
|
1
|
C8
|
100p
|
|
6
|
1
|
D1
|
6V
|
|
7
|
1
|
J1
|
Antenne
|
|
8
|
1
|
J2
|
Antenne
|
|
9
|
1
|
P1
|
220 lineair
|
|
10
|
3
|
Q1,Q2,Q3
|
BC109c
|
|
11
|
1
|
R1
|
2k7
|
|
12
|
2
|
R2, R5
|
100k
|
|
13
|
2
|
R3, R6
|
1k
|
|
14
|
1
|
R4
|
330
|
|
15
|
1
|
R7
|
68k
|
|
16
|
1
|
R8
|
820
|
|
17
|
1
|
S1
|
1A
|
Als ruisbron wordt een zenerdiode gebruikt. Het zeer kleine
ruisvermogen wordt in de versterker trapjes tot een voor ons doel hoog genoeg
niveau versterkt. De transistoren zijn van een normaal silicium type,
bijvoorbeeld BC109 (met hoge transitfrequentie). De versterkte ruis beland in
een balanstransformator, welke is gewikkeld op een kleine ringkern. De ringkern
heeft een diameter van ongeveer 10 mm en is bewikkeld met 4 draden, welke met
een grote spoed in elkaar getwist zijn. Het aantal windingen bedraagt 5. De
draad diameter is ongeveer 0,4 mm (geemailleerd draad). De vier draden worden zo
met elkaar verbonden, dat er een trafo'tje ontstaat van 1:1, met in de
secundaire wikkeling een middenaftakking (zie tekening 2). De secundaire
wikkeling is een tak van de meetbrug. De totale schakeling is gemakkelijk te
monteren op een stukje experimenteer print. Een handige printenmaker tekent snel
even een 'echte' print. Het variabele c'tje komt uit een oude transistor radio
en heeft een capaciteit van ongeveer 250 pF. Op de plug Rx sluiten we de
ontvanger aan en op de plug 'Ant' de onbekende impedantie. Is de brugschakeling
in balans, dus is de ruis uit de ontvanger 'nul', dan betekent dit, dat de beide
takken van de brug, waarin respectievelijk de in te stellen weerstand en
condensator - en de onbekende impedantie zich bevinden, met elkaar in evenwicht
zijn. De impedantie is in de meeste gevallen complex, dat wil zeggen niet alleen
uit een Ohms gedeelte bestaand, maar ook capacitief of inductief. Hoeveel nu de
afwijking bedraagt, trachten we met de instelling van de weerstand en de
condensator te bepalen. U zult hebben bemerkt, dat de vaste C een capaciteit
heeft, die de helft is van die van de variabele C. Dat moet ook! Hebt U dus een
varco met een afwijkende waarde, kies dan een vaste C met de helft van die
waarde. De vaste C wordt dan gecompenseerd door de variabele C als deze in de
middenstand staat. We meten dus in dat geval zuiver Ohms! Indien onze onbekende
impedantie een capacitieve of inductieve component heeft, dan kunnen we later de
grootte vaststellen en bepalen of deze capacitief, danwel inductief is.
IJken
Als we een weerstand van 50 Ohm op 'Ant' aansluiten en we
zetten de varco precies in het midden, dan kunnen we met de instelweerstand een
punt vinden, waarbij de brug in evenwicht is. Dit kunt U waarnemen op de
ontvanger als een enorme afname in de ontvangen ruis. Merk nu de schaal van de
potmeter met '50'. Op de schaal van de varco zetten we nu '0'. De kant van de
schaal, waarbij de condensator de grootste waarde heeft, noemen we Xc en de kant
met de kleinste capaciteit noemen we X1. Met diverse weerstand waarden tussen 10
en 200 Ohm kunnen we de schaal van de potmeter verder ijken.
Praktische Metingen
In het volgende geval zullen we de impedantie en de resonantie
frequentie van een antenne bepalen. Verbindt de ontvanger met een stukje kabel
aan de ruisbrug. Stem de ontvanger af op de gewenste frequentie. De antenne
wordt op de meetbrug aangesloten.
Het direct aansluiten van de antenne op de ruisbrug heeft de
voorkeur, maar dit is niet in alle gevallen mogelijk. Een tiental cm is niet
erg. In andere gevallen neemt u een stuk coaxkabel van een halve golf lengte
voor de werkfrequentie. Indien bij het in balans brengen van de meetbrug de
draaicondensator precies op nul staat bij het afregelen op minimale ruis uit de
ontvanger, dan leest u op de schaal van de potmeter de gevonden weerstand af. Op
de ingestelde frequentie is uw antenne dan in resonantie. In de meeste gevallen
echter staat de condensator niet op '0'. Staat deze richting Xc, dan gedraagt de
antenne zich capacitief, dus is hij te kort! Staat de draaicondensator richting
X1, dan gedraagt de antenne zich inductief en is dus te lang.
Valt er aan de antenne niets te veranderen, dan kunnen we
proberen bij de aansluitplug van de antenne, of aan het begin van de coaxkabel.
In het eerste geval maken we de antenne aangepast aan de kabel, in het tweede
geval passen we de kabel plus antenne aan op de bron. De geringe verliezen in de
coaxkabel zijn (zeker op HF) te verwaarlozen. met behulp van een variabele
inductiviteit of capaciteit is er aan het begin van de kabel heel wat bij te
stellen. Onze SWR op de kabel is ongewijzigd!! Wat we gedaan hebben, is de kabel
plus antenne aanpassen aan de uitgang van de zender.
Als we dit alles nu keurig in een bakje bouwen, past dat
ongetwijfeld op de plank naast de zender. PAoJA noemde dit 'Het kassie belazer',
want, wat je niet doet is het aanpassen van de antenne!
73, Lieuwe - PAoLH |